-
Трансформаторы ТВК – 75 УХЛ4
Трансформаторы для контактных электросварочных машин ТВК – 75 УХЛ4
Представляем Вашему вниманию трансформаторы серии ТВК – 75 УХЛ4 производства ЗПП «НЕОН» УТОГ. Основное предназначение трансформаторов этой серии - питание контактных электросварочных машин.
Трансформатор предназначен для работы в закрытых помещениях в следующих условиях:
• высота над уровнем моря до 1000м;
• температура окружающего воздуха от плюс 1 до плюс 40 ºС;
• относительная влажность окружающего воздуха 65 % при температуре 20 ºС;
• температура охлаждающей воды не выше плюс 25 ºС;
• давление воды в системе охлаждения от 1,5 до 3 кгс/см²;
• расход воды не менее 4,2 л/мин;
• окружающая среда невзрывоопасная, не содержащая пыли в концентрациях, снижающих параметры трансформатора в недопустимых пределах. Тип атмосферы II по ГОСТ 15150-69, не агрессивная;
Основные характеристики серии ТВК – 75 УХЛ4.
Скачать характеристики
Наименование параметра Ед. измер. Значение параметра Номинальное первичное напряжение В 365 Номинальный сварочный ток в повторно-кратковременном режиме работы кА 25 Номинальный длительный вторичный ток А 9000 Максимальная условная мощность при ПВ=50% кВ•А 75 Номинальный длительный первичный ток А 148 Ток холостого хода, не более % 6 Число ступеней регулирования - 8 Номинальная ступень регулирования - 7 Масса, не более кг 110
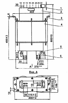
Устройство, габаритные, установочные, присоединительные размеры трансформатора.
Общий вид трансформатора приведен на фото 2
1 – вводы обмотки ВН;
2 – блок обмоток;
3 – скобы для установки; 4 – магнитопровод;
5 – трубка для провода охлаждающей воды;
6 – зажимы вторичной обмотки.Галерея

